NOP Procon Pump


馬達60HZ搭配建議 :
| 馬達 | 日製(單相) | 日製(三相) | 台製(單相) | 台製(三相) |
| 200W (1/4 HP) | O | O | O | O |
| 260W | X | X | X | X |
| 400W (1/2 HP) | X | O | O | O |
| 750W (1 HP) | O | X | O | O |
| 1500W (2 HP) | X | X | X | X |
* 可來電洽詢 04-23143166
注意事項 :
1. 請勿使用易燃或危險液體
2. 如有漏液現象,請立即停止使用
3. 請勿無水空運轉, 泵易損壞
4. 請勿再排出口關閉下運轉,易高壓損壞零件及危險發生
5. 請勿使用水以外的液體(油.純水.超純水..等)可能導致內部零件快速損壞及機械磨損
6. 泵浦過濾精度建議值 : 125 μm
7. 產品出廠前皆已過水測試通過, 產品售出無保固
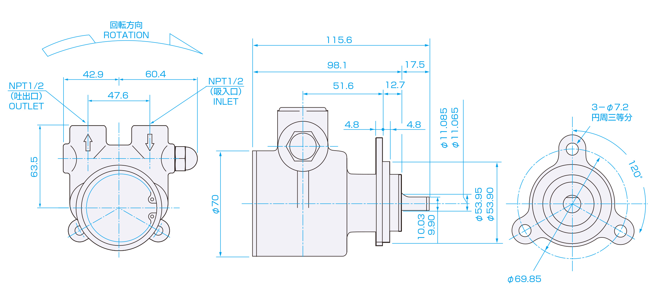
8. 進出水口鎖固扭力建議值 :
(1) NPT3/8 口徑:20.0 ~ 25.0 N・m
(2) NPT1/2 口徑:25.0 ~ 30.0 N・m
(3) NPT 1" 口徑:29.4 ~ 34.3 N・m
FreightDescription
運費說明

